Магазин запчастей для бытовой техники - Arlos
Москва
close
Выберите ваш регион
АбаканАлександровАльметьевскАнгарскАрзамасАрмавирАртемАрхангельскАстраханьАчинскБалаковоБалашихаБеларусьБелгородБердскБерезникиБийскБлаговещенскБратскБрянскВеликий НовгородВидноеВладивостокВладикавказВладимирВолгоградВолгодонскВолжскийВологдаВолховВоркутаВоронежВоскресенскВыборгГатчинаГеленджикГрозныйДедовскДербентДзержинскДзержинскийДимитровградДмитровДолгопрудныйДомодедовоДонецкЕвпаторияЕгорьевскЕкатеринбургЕлецЕссентукиЖелезногорскЖелезнодорожныйЖуковскийЗеленоградЗлатоустИвановоИвантеевкаИжевскИркутскИстраЙошкар-ОлаКазаньКалининградКалугаКаменск-УральскийКамышинКаспийскКемеровоКерчьКировКисловодскКлинКовровКоломнаКомсомольск-на-АмуреКопейскКоролёвКостромаКотельникиКрасногорскКраснодарКраснознаменскКрасноярскКурганКурскКызылЛенинск-КузнецкийЛипецкЛобняЛыткариноЛюберцыМагнитогорскМайкопМалаховкаМахачкалаМиассМоскваМурманскМуромМытищиНабережные ЧелныНазраньНальчикНаро-ФоминскНахабиноНаходкаНевинномысскНефтекамскНефтеюганскНижневартовскНижнекамскНижний НовгородНижний ТагилНовокузнецкНовокуйбышевскНовомосковскНовороссийскНовосибирскНовоуральскНовочебоксарскНовочеркасскНовошахтинскНовый УренгойНогинскНорильскНоябрьскОбнинскОдинцовоОктябрьскийОмскОрелОренбургОрехово-ЗуевоОрскПавловский ПосадПензаПервоуральскПермьПетрозаводскПетропавловск-КамчатскийПодольскПрокопьевскПсковПушкиноПятигорскРаменскоеРеутовРостов-на-ДонуРубцовскРыбинскРязаньСакиСалаватСамараСанкт-ПетербургСаранскСаратовСевастопольСеверодвинскСеверскСергиев ПосадСерпуховСимферопольСмоленскСосновый БорСочиСтавропольСтарый ОсколСтерлитамакСтупиноСургутСызраньСыктывкарТаганрогТамбовТверьТихвинТольяттиТомилиноТомскТроицкТулаТюменьУлан-УдэУльяновскУссурийскУсть-ИлимскУфаУхтаФеодосияФрязиноХабаровскХанты-МансийскХасавюртХимкиЧебоксарыЧелябинскЧереповецЧеркесскЧеховЧитаШахтыЩелковоЭлектростальЭлистаЭнгельсЮжно-СахалинскЯкутскЯлтаЯрославль
  • - бесплатно по РФ
    Автоперезвон. Работает по принципу: Вы позвонили на номер, мы сбрасываем звонок и перезваниваем через 3 секунды.
  • - по Москве
  • 8 (925) 663-83-63

Call-центр

пн-вс: 10:00-19:00

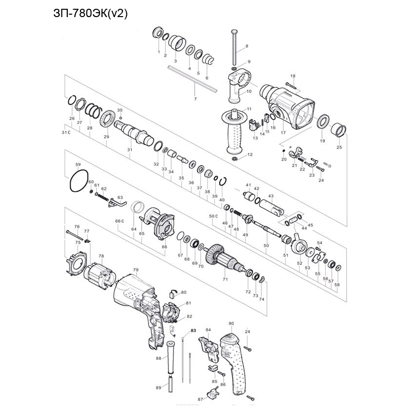
Перфоратор SDS-plus ЗП-780ЭК

Данная модель имеет несколько схем

NАртикулНазваниеСрок отгрузкиЦенаКупить
T10 U009-600-0RS Подшипник шариковый 6000-2RS (26х10х8) U009-600-0RS для пил ПД-55, ПЦ-2240 306 р.
1 U501-470-001 Пыльник ствола 190 р.
1-9 U351-900-017 Шарик стальной D7.14 U351-900-017 84 р.
2 U351-801-002 Кольцо стопорное разрезное D19xh2 92 р.
3 U501-780-003 Кожух патрона 200 р.
4 U351-801-004 Кольцо фиксирующее D32xd21x4 U351-801-004 для ЗП-470Э, ЗП-28-800 К 91 р.
5 U351-801-005 Пластина фиксирующая D32 U351-801-005 для перфораторов ЗП-470Э, ЗП-32-1100 К 102 р.
6 U351-801-007 Пружина патрона #W 92 р.
7 U351-800-581 Линейка-упор #W
8 UM03-000-009 Болт M8x95 #F 92 р.
10 U009-627-RS0 Подшипник шариковый 627 (22х7х7) U009-627-RS0 для ЗШ-1500, ДУ-550 ЭР, ФПК-750 92 р.
10 U352-810-037 Хомут рукоятки #Fu 92 р.
11 U502-780-038 Рукоятка дополнительная
13 U501-780-013 Переключатель режимов 461 р.
14 U501-470-013 Пружина фиксатора D4.3xh36 23 р.
15 U501-470-014 Фиксатор переключателя 28 р.
16 U501-470-015 Кольцо уплотнительное D20.5хd16.5хH2 32 р.
17 U501-780-017 Корпус редуктора 957 р.
18 UM02-000-108 Саморез 4х48 PH2
19 U351-800-012 Сальник D35хd25х7 189 р.
20 UM06-000-002 Кольцо стопорное D3 92 р.
21 U501-780-021 Кронштейн планки 66 р.
22 U501-780-022 Пружина 47 р.
23 U501-780-023 Планка стопорная 115 р.
24 UM02-000-072 Саморез 4x27 PH2 #F 92 р.
25 U501-780-025 Подшипник игольчатый в сборе 286 р.
26 U351-800-085 Кольцо стопорное разрезное D32хd28х2 92 р.
27 U351-800-021 Шайба #W 81 р.
28 U251-500-017 Пружина #W 54 р.
29 U501-780-029 Шестерня ствола 746 р.
31 U501-780-031 Ствол 729 р.
31C U501-780-031-C Ствол в сборе 1.887 р.
32 U501-780-032 Шайба D33 D28 h1 15 р.
33 U501-780-033 Сальник D17xd9x4
34 U501-780-034 Втулка металлическая
35 U501-780-035 Ударник 286 р.
36 U501-780-036 Опора
37 U501-780-037 Демпфер
38 U501-780-038 Ловитель
39 U501-780-039 Кольцо резиновое 40 р.
40 U501-780-040 Кольцо стопорное разрезное 23 р.
41 U501-780-041 Поршень ударный 383 р.
42 U501-780-042 Кольцо уплотнительное D16 h3 85 р.
43 U501-780-043 Поршень 480 р.
44 U351-800-043 Вкладыш #W 92 р.
45 U351-800-036 Шайба #W 13 р.
46 U009-606-RS0 Подшипник шариковый 606-2Z (40х17х12) ZXBRS 92 р.
50C U501-780-050-C Промвал в сборе 110x57.4x35.75 1.405 р.
51 U501-780-051 Муфта промвала 133 р.
52 U501-780-052 Подшипник качающийся (пьяный) 717 р.
59 U501-780-059 Кольцо резиновое 189 р.
60 UM06-000-003 Кольцо стопорное D4 92 р.
61 UM04-000-003 Шайба D5 #F 92 р.
62 U501-780-062 Пружина
63 U501-780-063 Планка переключателя 81 р.
66C U501-780-066-C Промщит в сборе 1.197 р.
67 U501-780-067 Кольцо уплотнительное D30хd26хh2 14 р.
68 U501-780-068 Сальник D22xd10x5
70 U501-780-070 Шайба D21хd10х0.5
71 U501-780-071 Ротор D35.2x41 U501-780-071 для перфоратора ЗП-780ЭК 1.548 р.
74 U501-780-074 Шайба пружинная
75 U501-780-075 Защита статора
77 U353-110-037 Скобка 92 р.
78 U501-780-078 Статор 965 р.
79 U501-780-079 Корпус двигателя 897 р.
80 U353-110-046-W Щетка графитовая (пара) 5х11х16 126 р.
81 U501-780-081 Щеточный узел 1.197 р.
82 U353-110-042 Пружина щеткодержателя 92 р.
84 U501-780-084 Выключатель переменного тока 674 р.
85 U501-780-085 Прижим шнура
86 UM02-000-066 Саморез 4x19 PH2 92 р.
87 U501-780-087 Блок подсветки 299 р.
88 U098-001-001 Воротник шнура 92 р.
89 U099-004-005 Шнур сетевой резиновый 2х0.75мм 2м 189 р.
90 U501-780-090 Крышка задняя
Найдено товаров: 75
1
▲ Наверх
0
8 (925) 663-83-63

Call-центр

пн-вс: 10:00-19:00

НАЙТИ ПО МОДЕЛИ
Введите номер заказа
Введите номер своего заказа, что бы узнать его текущий статус.
Что бы получить доступ к расширенным функциям, пройдите не сложную регистрацию. Зарегистрироваться