Магазин запчастей для бытовой техники - Arlos
Москва
close
Выберите ваш регион
АбаканАлександровАльметьевскАнгарскАрзамасАрмавирАртемАрхангельскАстраханьАчинскБалаковоБалашихаБеларусьБелгородБердскБерезникиБийскБлаговещенскБратскБрянскВеликий НовгородВидноеВладивостокВладикавказВладимирВолгоградВолгодонскВолжскийВологдаВолховВоркутаВоронежВоскресенскВыборгГатчинаГеленджикГрозныйДедовскДербентДзержинскДзержинскийДимитровградДмитровДолгопрудныйДомодедовоДонецкЕвпаторияЕгорьевскЕкатеринбургЕлецЕссентукиЖелезногорскЖелезнодорожныйЖуковскийЗеленоградЗлатоустИвановоИвантеевкаИжевскИркутскИстраЙошкар-ОлаКазаньКалининградКалугаКаменск-УральскийКамышинКаспийскКемеровоКерчьКировКисловодскКлинКовровКоломнаКомсомольск-на-АмуреКопейскКоролёвКостромаКотельникиКрасногорскКраснодарКраснознаменскКрасноярскКурганКурскКызылЛенинск-КузнецкийЛипецкЛобняЛыткариноЛюберцыМагнитогорскМайкопМалаховкаМахачкалаМиассМоскваМурманскМуромМытищиНабережные ЧелныНазраньНальчикНаро-ФоминскНахабиноНаходкаНевинномысскНефтекамскНефтеюганскНижневартовскНижнекамскНижний НовгородНижний ТагилНовокузнецкНовокуйбышевскНовомосковскНовороссийскНовосибирскНовоуральскНовочебоксарскНовочеркасскНовошахтинскНовый УренгойНогинскНорильскНоябрьскОбнинскОдинцовоОктябрьскийОмскОрелОренбургОрехово-ЗуевоОрскПавловский ПосадПензаПервоуральскПермьПетрозаводскПетропавловск-КамчатскийПодольскПрокопьевскПсковПушкиноПятигорскРаменскоеРеутовРостов-на-ДонуРубцовскРыбинскРязаньСакиСалаватСамараСанкт-ПетербургСаранскСаратовСевастопольСеверодвинскСеверскСергиев ПосадСерпуховСимферопольСмоленскСосновый БорСочиСтавропольСтарый ОсколСтерлитамакСтупиноСургутСызраньСыктывкарТаганрогТамбовТверьТихвинТольяттиТомилиноТомскТроицкТулаТюменьУлан-УдэУльяновскУссурийскУсть-ИлимскУфаУхтаФеодосияФрязиноХабаровскХанты-МансийскХасавюртХимкиЧебоксарыЧелябинскЧереповецЧеркесскЧеховЧитаШахтыЩелковоЭлектростальЭлистаЭнгельсЮжно-СахалинскЯкутскЯлтаЯрославль
  • - бесплатно по РФ
    Автоперезвон. Работает по принципу: Вы позвонили на номер, мы сбрасываем звонок и перезваниваем через 3 секунды.
  • - по Москве
  • 8 (925) 663-83-63

Call-центр

пн-вс: 10:00-19:00

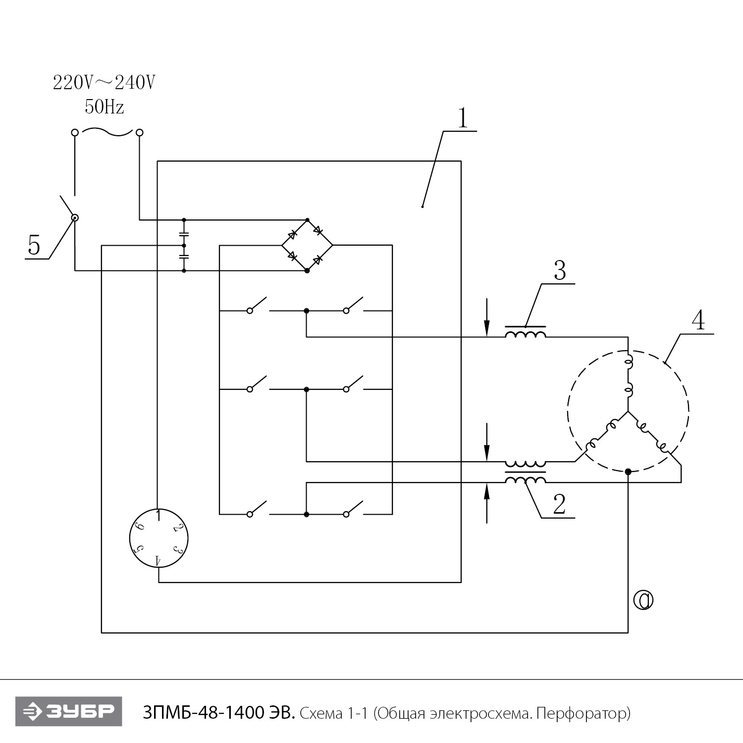
Перфоратор SDS-Max ЗПМБ-48-1400 ЭВ

Данная модель имеет несколько схем

NАртикулНазваниеСрок отгрузкиЦенаКупить
T21 U009-620-1RS Подшипник шариковый (32х12х10) U009-620-1RS для ЗЦПБ-370, ЗЭП-600Н, НПГ-М3-1100-С 189 р.
1 N000-042-466 Винт M4Х16
2 N000-042-467 Кожух корпуса редуктора
3 N000-042-468 Пыльник ствола
4 N000-042-469 Кольцо стопорное D24.7Х2.6
5 N000-042-470 Шайба D39.5Хd27.5Х5
6 N000-042-471 Кольцо антивибрационное D45хd28х10
7 N000-042-472 Кожух патрона
8 N000-042-473 Кольцо центрирующее
9 N000-042-474 Втулка D58.5хd44.2х15
10 N000-042-475 Упор фиксирующий
11 N000-042-476 Пружина сжатия D51Хd2.5Х42
12 N000-042-477 Пружина коническая D43Х34Х2Х34
13 N000-042-478 Упор пружины
14 N000-042-479 Кольцо стопорное D52
15 N000-042-480 Шайба D51.5Хd36Х0.5
16 N000-042-481 Шайба фетровая D52хd34.5х5
17 N000-042-482 Сальник D48хd33.8х7
18 N000-042-483 Корпус ствола
19 N000-042-484 Винт M6Х40
20 N000-042-485 Втулка скольжения D41.5Хd35.5Х14
21 N000-042-486 Втулка скольжения D65Хd55Х17
22 N000-042-487 Пружина D74Хd3.5Х30
23 N000-042-488 Кольцо фиксирующее D78.5хd66.5х5
24 N000-042-489 Кольцо стопорное D80Х2
25 N000-042-490 Кольцо уплотнительное D80Х2.65
26 N000-042-491 Кольцо антивибрационное D53Хd36Х8
27 N000-042-492 Шайба D54хd36х4
28 N000-042-493 Ствол D57.5х248
29 N000-042-494 Ролик фиксации 18х14.75х19
30 N000-042-495 Кольцо стопорное D50Х2
31 N000-042-496 Упор пружины муфты D65хd55.1х7
32 N000-042-497 Пружина муфты D59Хd2.5Х38
33 N000-042-498 Муфта D79.8хd54.5х22
34 N000-042-499 Кольцо стопорное D50Х1.2
35 N000-042-500 Ударник D28.5х77.5
36 N000-042-501 Сальник D29Хd20.8Х5
37 N000-042-502 Упор бойка D46.5хd19х9
38 N000-042-503 Кольцо антивибрационное D45Хd23Х13.5
39 N000-042-504 Упор цилиндра D46.5хd22х11.5
40 N000-042-505 Боек D37х38
41 N000-042-506 Кольцо уплотнительное D30.2Х3.5
42 N000-042-507 Кольцо стопорное D35.5х3.5
43 N000-042-508 Цилиндр D46.5х141
44 N000-042-509 Кольцо уплотнительное D39.6х2
45 N000-042-510 Поршень D37
46 N000-042-511 Кольцо уплотнительное D30х2
47 N000-042-512 Палец поршня D10Хd7Х29.5
48 N000-042-513 Шатун W25хW20хL60х10.5
49 N000-042-514 Втулка скольжения D17Хd10Х10
50 N000-042-515 Шток муфты 80х41х94.7
51 N000-042-516 Шестерня косозубая ведомая Z31
52 N000-042-517 Втулка скольжения D74Хd64Х17.5
53 N000-042-518 Кнопка фиксации переключателя
54 N000-042-519 Пружина кнопки D6.2Хd0.7Х20.5
55 N000-042-520 Саморез ST4.2х16
56 N000-042-521 Переключатель режимов
57 N000-042-522 Крышка редуктора верхняя
58 N000-042-523 Плаcтина переключения 70.8х44.5х3
59 N000-042-524 Сердечник переключателя D42х31.4
60 N000-042-525 Планка переключения 63х34х9.5
61 N000-042-526 Пластина 83х50х1.5
62 N000-042-527 Пробка фетровая 38х12.5х13
63 N000-042-528 Корпус редуктора
64 N000-042-529 Планка соединительная 18х15.2х9
65 N000-042-530 Прокладка D97хD64.2хL59.5хd2.5
66 N000-042-531 Кольцо уплотнительное D42Х1.5
67 N000-042-532 Шестерня косозубая ведущая Z9
68 N000-042-533 Шпонка 3Х3Х8
69 N000-005-500 Подшипник шариковый 6004-2Z (42х20х12) n/n 604 р.
70 N000-042-534 Шайба D60Хd16.2Х3.2
71 N000-042-535 Шестерня промежуточная Z=57
72 N000-042-536 Сердечник муфты D70хd16х9.7
73 N000-042-537 Пружина сжатия D3.5Хd1.3Х17.5 8шт.
74 N000-042-538 Ролик зацепления D6.5х6.5 8шт.
75 N000-042-539 Шайба D25Хd12.5Х1.5
77 N000-042-540 Кольцо уплотнительное D32х1.5
78 N000-042-541 Кольцо уплотнительное D51х2
79 N000-042-542 Кривошип D51х94.5
80 N000-042-543 Шпонка D5Хd5Х18
81 N000-042-544 Подшипник шариковый 6304-ZZ (52х20х15)
82 N000-042-545 Кольцо стопорное D20
83 N000-042-546 Шестерня промежуточная Z21
84 N000-042-547 Шестерня ведущая Z31
85 N000-042-548 Кольцо стопорное D16Х1.6
86 N000-042-549 Подшипник игольчатый NK1012 (14х10х12)
87 N000-042-550 Крышка корпуса редуктора
88 N000-042-551 Кольцо уплотнительное D34Х2
89 N000-042-552 Сальник D25хd16х7
90 N000-042-553 Втулка D15.6хd13х10
91 U009-620-2RS Подшипник шариковый 6202-2RS (35x15x11) n/n 189 р.
92 N000-042-554 Шайба D28Хd15Х0.5
93 N000-042-555 Ротор АД Z6
94 N000-042-556 Шайба D20Хd12.2Х0.5
95 N000-042-557 Саморез ST4.8Х60
96 N000-042-558 Диффузор
97 N000-042-559 Статор АД
98 N000-042-560 Корпус двигателя
101 N000-042-561 Крышка корпуса двигателя
102 N000-042-562 Саморез ST4.8Х19
103 V000-004-652 Регулятор скорости FR-6/1FE
104 V000-004-653 Плата регулировки оборотов
105 N000-042-565 Рассеиватель светодиода
106 N000-042-566 Шайба антивибрационная D17хd5х1.2
107 N000-042-567 Крышка задняя
108 N000-042-568 Упор фиксации выключателя 18.2х17.2х20
109 N000-042-569 Пружина D8Хd1Х38
110 N000-042-570 Рычаг блокировки выключателя 20.3х15.2х13
111 N000-042-571 Винт M6х60
112 N000-042-572 Втулка винта D22хd6.5х17
113 N000-042-573 Кольцо антивибрационное D24Хd14Х5
114 N000-042-574 Гайка рукоятки D22х17хM6
115 N000-042-575 Кожух АВТ
116 N000-042-576 Пружина сжатия D13.5Хd1.5Х40
117 N000-042-577-C Рукоятка в сборе EV(117. 121)
118 N000-042-578 Курок выключателя
119 N000-042-579 Седло выключателя 27.5х109х22.6
120 V000-003-529 Выключатель FA7-10/2 10(10)A ~250V 5E4
122 N000-042-581 Шнур сетевой H07RN-F. 2Х1.0 mm2. 5m
123 N000-042-582 Втулка кабеля D30х70
124 N000-042-583 Прижим кабеля
129 N000-042-584-C Рукоятка дополнительная в сборе EV(125-129)
Найдено товаров: 122
1
▲ Наверх
0
8 (925) 663-83-63

Call-центр

пн-вс: 10:00-19:00

НАЙТИ ПО МОДЕЛИ
Введите номер заказа
Введите номер своего заказа, что бы узнать его текущий статус.
Что бы получить доступ к расширенным функциям, пройдите не сложную регистрацию. Зарегистрироваться